Kuhlschrank Defekt Tipps Zur Fehlersuche
Kuhlschrank Defekt Tipps Zur Fehlersuche
Kuhlschrank Siemens Schaltplan Thermostat
Start Reparaturtips Wohnmobiltechnik Kuehlschrank Www Lt Forum De Lt Wiki
Kuhlschrank Rm 184 Egi Elektrischer Anschluss T3 Pedia
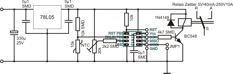
Wie Seltsammes Teil An Kuhlschrank Anschliessen Mikrocontroller Net
Schaltplan Online Uberblick Elektrische Schaltungen
Mit Gefrierfach Kuhlschrank Funktionsweise
Schaltplan Online Uberblick Elektrische Schaltungen
Wie Seltsammes Teil An Kuhlschrank Anschliessen Mikrocontroller Net
Kastenwagen Umbau Schaltplan Wohnmobil Forum Seite 1
Suleica Caravan Die Elektrik Eines Alten Wohnwagen
Kuhlschrank Siemens Schaltplan Thermostat
Aes Signal Vom Solarregler Sr330 Anschliesen Wohnmobil Forum Seite 1
Www Isa Igelchen De Wohnwagen Caravan Autark Teil 3 Stromversorgung Planung Und Umsetzung
35 Temperatur Schaltstufe Auf Knolles Elektronik Basteln Page Bauanleitungen Mit Schaltplan Platinenlayout
Start Reparaturtips Wohnmobiltechnik Kuehlschrank Www Lt Forum De Lt Wiki
Installation Einbauanleitung Pdf Free Download
Kuhlschrank Schaltplan Elektrische Kabel Gefriergerate Kuhlschrank Schaltplan Kuhler Diagramm Png Pngwing
Schaltplan Online Uberblick Elektrische Schaltungen
Kuhlschrank Anlaufrelais Wechseln Videoanleitung Youtube
Https Www Ggmgastro Com Downloads Exploz Kuehlung Getraenkekuehlschrank Explo Ksm127 Pdf
Wie Seltsammes Teil An Kuhlschrank Anschliessen Mikrocontroller Net
Https Www Kaelte Berlin Com Media Links Bedienungsanleitung Aht Kuehltruhe Tiefkuehltruhe Salzburg Paris Pdf
Schaltplan Online Uberblick Elektrische Schaltungen
Https Encrypted Tbn0 Gstatic Com Images Q Tbn And9gcr Cojxdqvkwsg34fdbswhnhulg43bokviiss3tgt4y4bgumsg2 Usqp Cau
220v Schaltplan Carado Sunlight Orangcamp
Kuhlschrank Kompressor Erklart Youtube
Https Www Inone Kuechen De Img Artikel Gruppe 5 U Gruppe 6 Artikel 62565 Bedienungsanleitung 62565 Pdf
Waeco Mdc090 Kompressor Lauft Oft Und Kurz Wohnmobil Forum Seite 1
Anlassvorrichtung Danfoss 103n0021 4 8mmamp Fur Kuhlschrank Gefrierschrank Wkf Electric Handels Gmbh Online Shop
Liebherr Kuhlschrank Cup 2901 21 Defekt Hausgerateforum Teamhack
Liebherr Kuhlschrank Thermostat Defekt Hausgerateforum Teamhack
Schaltplan Online Uberblick Elektrische Schaltungen
Http Wiki Womoverlag De Wiki Images Thumb D D0 Bordnetzg Jpg 692px Bordnetzg Jpg Solaranlage Wohnmobil Wohnmobil Wohnmobil Selbstausbau
Ku 715 Cool Line Kuhlschranke Cool Line Nordcap Shop Nordcap
Camping Kuhlschrank Kompressor Oder Absorber Campofant
Defekter Kuhlschrank Liebherr Mikrocontroller Net
Www Isa Igelchen De Wohnwagen Caravan Autark Teil 3 Stromversorgung Planung Und Umsetzung
Camping Kuhlschrank Electrolux Rm 4230
Losung Abschlussprufung 1997 98 Aufgabe 6
Kuhlschrank Gefrierschranke Kuhlung Der Firma Delfield Schaltplan Kuhlschrank 3 P Winkel Png Pngegg
Kuhlschrank Kompressor Ersatzteile Und Reparaturhinweise Ersatzteilshop De
Hea Fachwissen Kuhl Und Gefriergerate Aufbau Und Funktion
Wartung Gasanlage Kuehlschrank Camping Wiki
Aes Signal Vom Solarregler Sr330 Anschliesen Wohnmobil Forum Seite 1
Https Encrypted Tbn0 Gstatic Com Images Q Tbn And9gcrt508rfjmed77cls9scceiwxowgdzv6rhmi7r0g2xsrsgq1tt4 Usqp Cau
Thermoelektrischer Weinkuhler Modell Migros
Https Www Hornbach Ch Data Shop D04 001 780 491 012 527 6172603 Doc 04 Ch 20161020200403 Pdf
Bku 460 Backwarenkuhlschranke Kuhlschranke Kuhltechnik Nordcap Shop Nordcap
Technik Im Wohnwagen Wie Geht Das Mysmallhouse De
Ot Camping Kuhlschrank Electrolux Wie Anschliessen Technikecke Vwt3 At
Kuhlschrank Wassergekuhltem Aisi 304 Ice Cream
Stromversorgung Im Wohnmobil Uberblick In 10 Schritten
Wohnmobil Reisemobil Beratung Zu Ausbau Elektrik
Thetford N110 Kuhlschrank Brint Mich Zur Verzweiflung Wohnmobilaufbau Ducatoforum De
Wohnwagen 12v Netz Mit 220v Umformer Und Batterie V
Aes Signal Vom Solarregler Sr330 Anschliesen Wohnmobil Forum Seite 1
Aes Dometic Kuhlschrank Mit Solarstrom Betreiben Wohnmobilaufbau Ducatoforum De
Wohnwagen Wohnmobil Kuhlschrank 2 0 Kuhlt Nicht Absorberkuhlschrank Youtube
Start Reparaturtips Wohnmobiltechnik Kuehlschrank Www Lt Forum De Lt Wiki
Defekter Kuhlschrank Liebherr Mikrocontroller Net
Www Isa Igelchen De Wohnwagen Caravan Autark Teil 3 Stromversorgung Planung Und Umsetzung
Wie Man Das Startrelais Des Kuhlschrank Verdichters Testet Refrigerationsclub
Kuhlschrank Siemens Schaltplan Thermostat
Verdrahtungsplan Gefriergerate Elektrische Kabel Kuhlschrank Kuhlschrank Ampere Kleiderschranke Automatisches Entfrosten Png Pngwing
Kuhlschrank Thermostat Zanussi
Wie Man Das Startrelais Des Kuhlschrank Verdichters Testet Refrigerationsclub
Wartung Gasanlage Kuehlschrank Camping Wiki
Kuhlschrank Kompressor Ersatzteile Und Reparaturhinweise Ersatzteilshop De
Bedienungsanleitung Dometic Rm 7290 Seite 27 Von 29 Deutsch
Ebl 99 Keine Spannung An Block 1 Klemme 1 Wohnmobil Forum Seite 1
Ku 510 Fisch Cns Fischkuhlschranke Kuhlschranke Kuhltechnik Nordcap Shop Nordcap
Wie Seltsammes Teil An Kuhlschrank Anschliessen Mikrocontroller Net
Anleitung Fur Die 12v Elektrik Installation Im Camper Ausbau Baren Squad
Kuhlschrank Thermostat Prufen Wie Funktioniert Es Heimhelden
Gram Kuhlschrank Compact K 410 Rg L1 6n
Https Www Ggmgastro Com Downloads Exploz Kuehlung Getraenkekuehlschrank Explo Ksm127 Pdf
Hobby 600 Ein Wohnmobil Ist Kult Bedienungsanleitung Absorberkuhlschrank Rm2210
Original Elektronik Platine Steuerung Kuhlschrank Liebherr 6114637 Ebay
Wohnwagen Hobby 460 Ufe Excellent Easy Pdf Free Download
Http Www Wohnkabinencenter De Manuals Electrolux 20rm4270 71 Pdf
Komplette Vektor Satz Von Elektrischen Und Elektronischen Schaltplan Leinwandbilder Bilder Elektromagnet Instrumentierung Drucktaste Myloview De
Fstb Fmb Kuhlschrank Dampfer Fur Kuhlschrank Buy Elektrische Dampfer Fur Kuhlschrank Kuhlschrank Dampfer Dampfer Control Product On Alibaba Com
Https Eventura Net Media Pdf 25 67 23 Bedienungsanleitung 1007566 Kuehltruhe Gefriertruhe 300 Ltr Pdf
Installation Des Elektroblock Schaudt Ebl 208s Lt420 Surfandfriends
Liebherr Kuhlschrank Thermostat Defekt Hausgerateforum Teamhack
Hea Fachwissen Kuhl Und Gefriergerate Aufbau Und Funktion
Bedienungsanleitung Dometic Rm7855l Seite 27 Von 30 Deutsch
Ich Brauchte Hilfe Mit Meinem Elektra Bregenz Kuhlschrank Elektrische Anzeige Geht Nicht Mehr Nach Turanschlag Wechseln Elektrik
Schaltplan Wohnwagen Www Wohnwagenfreunde De
Anpassen Der Verbindungsteile Fur Die Thermostat Kontaktstellen Ihres Kuhlschranks Youtube
Liebherr Group Kuhlschrank Gefrierschranke Liebherr Kuhlschrank Gefrierschrank Cm 60 H 161 Hauptgerat Kuhlschrank Winkel Bereich Png Pngegg




Comments
Post a Comment